新工艺从废旧电池回收超 99% 纯度镍和钴 科技日报2025年11月13日报道,科学家开发出一项创新回收技术,能够从废旧电池中回收 95% 以上的镍和钴,且纯度均超过 99% 。相关研究发表于新一期《储能材料》杂志。 与传统湿法回收工艺相比,这项新技术突破了原有技术瓶颈。传统方法依赖强酸和复杂化学试剂,不仅流程烦琐,还会产生大量有害废水。而新工艺通过电化学方法,实现了更高效、更环保的金属回收。
摘要:【目的】为解决在现代电力系统中电压暂降问题,深入研究了直流侧共直流母线的电压暂降治理装置(Dynamic Voltage Restorer,DVR)。【方法】详细阐述了该装置的工作原理,分析其硬件设计、控制策略等关键要点,并通过仿真实验和实际案例对装置性能进行验证。【结果】直流侧共直流母线的电压暂降治理需综合硬件冗余、智能控制与经济性评估。已实现暂降幅值抑制在 5% 以内、响应速度毫秒级的目标,但其在复杂场景下的鲁棒性与长期经济性仍需进一步验证。【结论研究结果表明,所设计的共直流母线电压暂降治理装置能够有效抑制电压暂降,提升系统供电可靠性,为供电系统的稳定运行提供了有力支持。
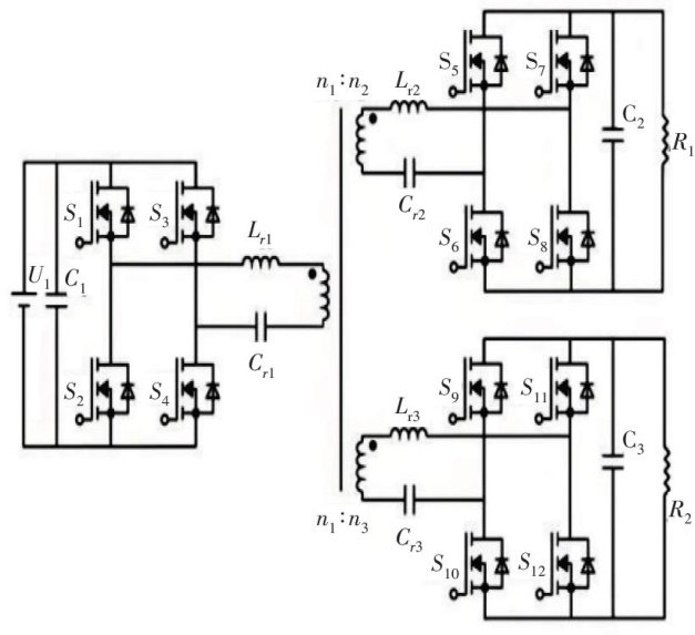
摘要:【目的】为解决谐振变换器在宽范围输出电压场合中适应性较差的问题,提出了一种应用于三端口隔离型CLLC直流变换器的PWM-PFM定变频混合控制方案。【方法】结合PWM控制易实现宽范围输出这一优点,在参考以往研究成果的基础上,提出了三端口隔离型CLLC直流变换器的PWM-PFM定变频混合控制方案,并通过Matlab/Simulink仿真软件模拟稳态、暂态场景进行仿真分析。【结果】通过仿真实验,观察到谐振变换器的二次侧各端口电压均能够保证稳定输出,电流均能够迅速响应达到稳态。结论研究结果成功证明了应用PWM-PFM定变频混合控制方案的三端口谐振变换器在能够保证抗干扰稳定运行的同时实现宽范围输出。
摘要:【目的】为解决现阶段港口粉尘治理主要依靠喷淋洒水抑尘技术,存在智能化和自动化不足、洒水控制与矿石含水率未关联等问题,提出利用神经网络模型实现含水率的短期预测,为喷淋控制提供改进思路。方法]提出并建立随机森林、粒子群优化算法和基于决策树机制的卷积神经网络等3种预测模型,利用现场及实验室的相关数据对上述模型进行训练及预测,并对比不同模型的预测数据。【结果研究发现,3种模型的预测准确率为:基于决策树机制的卷积神经网络>粒子群优化算法 > 随机森林模型。其中,基于决策树机制的卷积神经网络预测准确率最高,含水率模型预测精度可达到 91.8% 。【结论】基于决策树机制的卷积神经网络可有效预测矿石含水率,进行粉尘控制,为港口粉尘污染治理提供一定的理论支持。
摘要:(目的]针对油气勘探开发领域面临的数据存储、处理和分析方面的需求和难点,提出一种基于“湖仓一体”技术的大数据平台设计方案。方法】首先,详细阐述了平台的整体架构设计、关键技术和在生产环境中的应用实践;其次,通过构建统一的数据存储层、计算引擎层和应用服务层,实现了海量异构数据的高效管理和分析。【结果】生产实践表明,该平台的应用使得数据加载与处理时间从原来的平均 12h 缩短至 2h ,效率提升约 83% 。【结论】该平台的应用显著提升了油气勘探开发数据的处理效率和分析能力。该平台架构的开放性和可扩展性也为与其他新兴技术的融合应用奠定了基础,有望推动油气行业向更加数字化、智能化的方向发展。
摘要:【目的分析基于手机移动端的GNSS卫星信号质量,为后续GNSS定位研究提供数据支持。【方法]以许昌学院为试验区域,分别在空旷地区、树林遮挡环境、城市道路等场景下,采集一加ace2pro、华为nova9和IQOO Z1等3种不同品牌型号手机的卫星观测数据,基于Rtklib软件从卫星可见数、信噪比、卫星可见性等方面评估其卫星信号质量。【结果】结果表明:在卫星可见数方面,各系统卫星在空旷环境中的卫星可见数较为稳定,在树林遮挡环境和城市街道环境中则波动较大,其中BDS卫星可见数最多,GPS、Galileo和QZSS系统卫星依次次之;在信号中断次数方面,BDS卫星在各环境下信号接收完整率情况皆高于其他系统卫星;在信噪比方面,GPS卫星信噪比在 30~ 45dB-Hz ,略高于其他卫星,其中空旷环境下的卫星信噪比普遍强于树林遮挡环境和城市街道环境。【结论】研究结果可为后续GNSS定位研究提供数据支持,进一步拓宽手机移动端的应用领域。
摘要:【目的]重载列车因线路复杂及纵向力波动大,容易发生安全事故。综合纵向动力学模型与强化学习算法,提出基于强化学习的重载列车操纵优化算法,以降低纵向力波动并提升运行安全性和效率。【方法】通过考虑纵向力约束,将其抽象为强化学习问题,并定义状态空间包括速度、位置、时间、累计制动缓解时间和前两阶段控制力,动作空间包括列车控制力与空气制动决策。以提升运输效率与降低能耗为目标,并确保列车纵向力与运行安全符合要求,基于Q学习算法,为重型货运列车设计了一种智能操纵策略优化方法。【结果】仿真验证表明,提出的纵向力评估模型有效;在长大下坡段优化中,有纵向力约束的优化策略显著降低了最大拉钩力,同时保持较高的运输效率。【结论】基于强化学习的重载列车操纵优化算法,在满足纵向力约束的前提下实现了列车的安全、高效运行。
摘要:【目的】本研究旨在构建更科学的评估体系,提升评估的准确性与客观性,以解决当前中小学生心理健康评估以纸质量表打分为主所存在的准确率低、主观性强等问题,为及时干预提供支撑【方法】本研究融合健康信息学与认知神经科学两大领域理论,以表情、眼动、脑电三种多模态信息作为核心评估工具,引入深度学习等人工智能技术,通过技术整合与算法优化,搭建信息化、智能化的心理健康评估方法,替代传统依赖人工打分的评估模式。【结果】经研究实践,本研究所建立的智能化评估方法能够有效规避主观因素干扰,实现对中小学生心理健康状态的准确量化评估。【结论]该评估方法为中小学生心理健康问题的早期发现与及时干预提供了可靠技术路径,对提升中小学生心理素质以及推动社会心理健康服务体系完善具有重要意义。
摘要:【目的]针对离心泵能耗高、性能差及传统优化技术瓶颈问题,探索基于仿生学的性能优化新路径,以提升能效。【方法】以单级单吸离心泵为研究对象,模拟鱼类尾鳍曲率设计波形叶片,采用仿鲨鱼皮微纳结构处理叶轮表面,构建仿生泵叶轮三维模型,通过数值模拟对比原型泵和仿生泵的内部流场特性。【结果】仿生泵压力梯度缓和可有效抑制逆压梯度,减少压力脉动及振动噪声;速度场分布均匀,降低了能量损耗与噪声;空化现象显著减少,非光滑微结构通过均化压力-速度场和调控边界层,抑制空化初生与发展,减轻空蚀和扬程衰减。【结论】研究成果为同类型设计提供了新思路,具有重要的应用价值。
摘要:【目的】为后续节能监管措施优化与技术升级提供数据支撑,助力工业领域节能减排与可持续发展。【方法】依托锅炉能效与排放测试数据计算与管理平台,对2024年全国工业锅炉产品能效测试数据进行分类统计,重点分析燃料、燃烧方式、容量等与锅炉热效率、排烟温度和过量空气系数的关系。【结果】2024年锅炉产品能效共测试690台,从输出工质看,蒸汽锅炉数量最多,热水锅炉数量最少;从燃料看,燃气和燃生物质锅炉的数量最多,燃煤和燃液体燃料的锅炉数量最少。2024年锅炉产品测试热效率算术平均值为 93.30% ,测试平均热效率随着锅炉容量的增大先增大后减小。【结论】通过分析2024年锅炉产品能效测试的整体情况,明晰了当前我国工业锅炉能效现状,揭示了我国工业锅炉能效的关键影响因素,为行业节能升级及监管优化提供参考。
摘要:【目的]针对临河深基坑开挖土体卸荷及既有构筑物堆载耦合作用下基坑支护结构的变形与控制问题,以广东省顺德区顺德北路隧道基坑支护工程为依托,开展临河深基坑开挖支护结构变形控制的研究工作。【方法】通过现场监控的手段监测基坑围护结构位移、立柱桩竖向位移、支撑轴力等关键技术参数,研究深基坑开挖卸荷作用和非对称荷载作用对深基坑支护结构变形及稳定性的影响。【结果】研究结果表明,基坑开挖卸荷作用和非对称荷载作用对基坑与支护结构的变形和稳定性的影响显著,基坑围护结构水平和竖向累计位移分别呈L形和倒L形分布;围护墙深层水平位移的最大值出现在基坑深度约 4m 处,周边地表的沉降变异性相较于周边既有构筑物受基坑开挖影响更为显著。结论“灌注桩 + 高压旋喷桩”支护方式与钢管支撑组合支护系统能更为有效地控制深基坑支护结构的变形。
摘要:【目的】查明某老旧小区住宅楼建筑裂缝产生的原因,以控制地基沉降。【方法】采用地面调查和地基病害勘察相结合的方法,查明地基沉降的主要原因,选取坑式静压管桩加固方案进行加固,并从设计到施工均做出了详细要求。结果】通过静压管桩施工前后监测数据对比分析得出,工前基础累计沉降量呈增大趋势,工后未加固的二单元累计沉降增量为 10~15mm ,已加固的一单元累计沉降量变化不大,坑式静压管桩方法有效控制了基础的沉降。【结论】湿陷性黄土场地原素土挤密桩挤密效果不佳,地基仍具湿陷性,在建筑地下管网系统渗漏情况下,地基土层浸水下陷和地基土饱和,是地基出现不均匀沉降,以及上部结构产生裂缝的主要原因。研究成果可为同地区湿陷性黄土场地地基病害处治提供工程借鉴。
摘要:【目的】探究气候变暖对寒区隧道温度场的影响规律。【方法】以某寒区隧道洞口段断面为研究对象,采用COMSOL软件建立了水一热耦合数值模型,考虑未来 50a 气温升高 2.6°C ,分析冻结期与融化期隧道温度场演变特征。【结果]结果表明,地表附近围岩温度随环境温度持续升高,而衬砌背后围岩因开挖扰动引发融化一回冻过程,温度呈“先降后升"趋势,最低值均出现在第10年(冻结期 -3.8°C ,融化期 -1.2° )。多年冻土上限由基准年的 2.6m 下移至第50a的 3.9m ,累计下移 1.3m 。至第50年融化期,衬砌背后局部围岩温度接近 0°C ,形成小范围季节冻融圈。【结论】温度升高与冻土上限下移将劣化围岩力学性质,加剧隧道融沉塌陷风险,研究成果可为寒区隧道防冻设计提供理论依据。
摘要:【目的]为改善隧道南北洞口气候差异及渗水影响下,洞内沥青路面长期积水严重影响行车安全的特殊路面状况,对高湿度隧道环境沥青透水路面质量与性能提升关键技术进行研究【方法】首先,通过稳定度、浸水肯塔堡飞散、渗水、连通空隙率等试验,研究混合料中矿粉占细集料比例对透水沥青混合料性能的影响;其次,通过模拟洞内环境条件采用旋转剪切试验,优选层间黏结材料;最后,通过研究对比不同碾压工艺下路面排水性能与层间黏结性能,确定最佳碾压工艺。结果]研究发现,矿粉替代量的提高有利于提升混合料的耐久性,但降低了连通空隙率;胶轮碾压及振压均对罩面层混合料透水性能影响明显,合适的胶轮碾压遍数有利于提升面层耐久性。【结论】研究成果为潮湿型隧道沥青路面有效解决抗滑、耐久问题,以及为有特殊环境需求的透水混合料设计提供了科学有效的思路。
摘要:【目的]金属表面处理技术对提升材料性能具有重要作用,本研究旨在研究其技术的发展及未来防护功能需求的有效模式,为技术的持续化应用提供理论支撑。【方法】通过文献查阅以及实践案例分析,对金属表面处理技术当前应用进行分析,从而探究未来功能需求下的技术趋向。【结果】金属表面处理技术应用较为广泛。在现代制造业中,金属表面处理技术尤为重要,在未来的防护功能需求下,金属表面处理技术会依据不同行业的特点进行深度发展。【结论】金属表面处理技术的未来发展要遵循复合式创新应用的场景,应结合当前的环保战略方向,从复合型、多功能性方向深入,使得该技术朝着功能集成化的方向发展。
摘要:【目的】针对商业化树脂对水溶性物质吸附性能不足的问题,通过分子设计和表面修饰改性树脂,提高其对制药废水中目标污染物的选择性吸附能力,为废水治理和资源回收提供新方案。【方法】通过等温吸附试验和吸附动力学试验并与NDA99、NDA150树脂比对,考察改性树脂对水溶液中奥拉西坦的吸附性能。结果试验发现,氨基磺酸修饰的吸附树脂(HGY-1)对奥拉西坦的吸附性能最优,最佳吸附温度为303K;HGY-1树脂对奥拉西坦的吸附等温线同时符合Langmuir和Freundlich方程,动态吸附符合准一阶动力学方程,且颗粒内扩项为主要控制步骤。【结论】研究成果为制药废水中奥拉西坦活性成分的分离回收以及资源化利用提供了一种新型吸附材料,同时对于工业废水治理和产物纯化也具有重要意义。
摘要:【目的]探究碳纳米管对水泥砂浆的力学性能和压阻性能的影响。【方法】配制不同剂量(质量分数为 0.0.05%.0.10%.0.15%, 的碳纳米管增强水泥砂浆试样,并对其进行抗压强度和抗折强度试验。同时,利用压阻测试仪器对加载过程中碳纳米管增强水泥砂浆试样的电阻率进行测试。【结果】与普通水泥砂浆试样相比,质量分数为 0.10% 的碳纳米管可将砂浆的抗压强度提高29.29% ,而质量分数 0.15% 的碳纳米管可将砂浆的抗折强度提高 33.6% ;此外,在单轴压缩荷载的作用下,碳纳米管的添加可以有效提升水泥砂浆试样的压阻性能,其中,质量分数 0.10% 的碳纳米管对水泥砂浆压阻性提升效果最为显著。【结论】合理的碳纳米管掺量能够改善水泥砂浆的力学及压阻性能。
摘要:【目的】通过量化评估与分析,深入探究城市化与生态环境之间的相互作用关系及耦合协调程度。方法】利用2000—2020年的MODIS数据、夜间灯光数据,基于前人提出的遥感生态指数、综合夜间灯光指数和耦合协调度模型构建方法,对京津冀城市群生态环境与城市化耦合协调度进行分析。【结果】结果显示: ① 2000—2020年,京津冀城市群的生态环境指数呈波动性增长,生态环境质量呈向好趋势; ②2000-2020 年,京津冀城市群的城市化水平不断提高,其中天津市、廊坊市城市化进程最快。张家口市和承德市城市化进程最慢; ③ 2000—2020年,京津冀城市群生态环境与城市化耦合协调度总体呈稳定增长趋势,其中天津市、廊坊市、北京市和唐山市耦合协调度最高,张家口市和承德市耦合协调度最低,至2020年时仍处于轻度失调等级。【结论】研究结果可为京津冀城市群生态环境和城市化建设提供科学依据和参考。
摘要:【目的]研究鄂邑区土地利用现状及变化,对其生态系统服务价值进行评估与优化,为区域土地利用规划和生态文明建设提供参考。方法】基于2000—2020年鄂邑区土地利用数据,运用当量因子法与线性规划模型,对该区域生态系统服务功能进行量化评价与优化配置,探讨实现服务价值最大化的土地利用结构优化方案。【结果】2000—2020年,鄂邑区生态系统服务总价值呈持续减少态势。在单项生态服务功能中,气候调节功能始终占据主导地位,约占总价值量的 28.42% 。通过优化土地利用结构至最佳生态服务状态,2030年研究区生态系统服务价值较2020年将实现776.033万元的显著提升。【结论】草地和林地是鄂邑区ESV的核心贡献类型,而建设用地的扩张导致ESV降低。因此,适度增加草地与林地面积对ESV提升的促进作用最为显著,合理控制建设用地规模则有助于生态系统服务功能的整体改善。
摘要:【目的】对安顺市进行碳达峰预测,为其实现碳达峰目标和制定低碳发展战略提供参考。【方法】通过计算安顺市2012—2022年土地利用碳排放总量,采用LMDI分解法分析影响安顺市碳排放的因素,构建STIRPAT模型并运用岭回归结合情景分析法,对安顺市碳达峰峰值进行预测。【结果】安顺市在低速和中速发展模式下分别于2030年和2026年达到峰值,峰值分别为392.04万t和383.10万t,而高速模式未出现峰值【结论】根据安顺市社会经济发展条件,中速发展模式最优。在此基础上,提出了合理控制人口增长、发展绿色GDP、提升能源效率、优化土地利用布局的对策建议。
摘要:【目的】系统评估不同图像分割算法与分类算法在遥感影像处理任务中的效能,为植物检测、病虫害识别等领域提供参考。【方法】采用基于面向对象分类的基本思想,运用eCognition软件对AISD数据集开展试验,对各类分割算法及分类算法进行对比分析。【结果】试验结果表明,多尺度分割更有利于分割地物。相较于其他算法,贝叶斯和随机树算法效果更佳。【结论】基于eCogni-tion的面向对象的遥感影像分类方法能够有效提高分类精度,具有可靠性。
摘要:【目的】查明滑坡基本特征,分析滑坡产生因素,提出安全可靠、经济合理、技术可行的治理方案。【方法】以贵州省某高速公路滑坡为例,在分析滑坡地质环境条件、变形特征、变形模式等的基础上,通过地形测量、钻探、岩土测试等手段进行勘查。结果]该滑坡的诱发因素是坡脚开挖、降雨及软弱夹层共同作用,滑坡在暴雨条件下稳定性系数小于1,处于不稳定状态。【结论】提出“抗滑挡墙 + 坡面防护 + 截排水”的综合治理方案。
摘要:【目的】探讨人工智能背景下短视频平台中人工智能(Artifical Intelligence,AI)换脸技术引发的著作权与肖像权侵权问题,分析侵权认定难点,寻求平衡个人利益与社会公共利益的可行路径,为新技术的发展与社会秩序的维护并行提供新思路。方法】通过梳理AI换脸技术在短视频平台中的主要应用类型,分析其在著作权与肖像权侵权认定方面所面临的法律困境,进而提出相应的规制建议。【结果】AI换脸作为生成式人工智能的典型应用,存在著作权侵权认定困难、侵权源头难以保存、肖像权合理使用边界判定困难及肖像权与著作权竞合等问题。结论】应采取强化网络参与主体责任、明确短视频用户进入准则、加强AI换脸技术侵权宣传、完善AI换脸技术相关法律规定等措施,以促进AI技术在合理合规的框架内健康发展。
摘要:【目的】通过全球专利数据解析4D毫米波雷达技术发展态势,揭示其技术演进路径与竞争格局,为行业突破产业化瓶颈提供决策支持。【方法】基于壹专利数据库,运用趋势分析、地域图谱及IPC分类统计,系统性评估技术创新动态。【结果】数据显示,4D毫米波雷达技术演进历经硬件破冰、市场觉醒与产业爆发等3个阶段。在技术格局上,中国在系统结构与算法聚类领域占据主导,而天线阵列领域则呈现中美竞争胶着的态势。从竞争主体看,德国博世以227件硬件专利形成市场垄断,而中国上海几何伙伴则凭借14件核心算法专利实现了关键技术突破。从发展趋势看,以雷达系统为技术基座,人工智能相关专利的增速已达到传统技术的3倍,成为主要增长引擎。【结论】我国应以“补短板—拓场景—树标准”三维突破,构建自主技术生态:上游突破高精度射频算法链技术打破垄断,下游布局场景化专利矩阵抢占矿区港口等垂直市场,中游通过轻量化算法研发与标准必要专利捆绑,在角分辨率等核心指标领域构建技术壁垒,实现从专利数量优势向标准主导型产业生态的跨越升级。
摘要:【目的】重塑人才评价的“指挥棒”,从以往追求论文、职称、学历、奖项的“四唯”倾向,转向引导科技人才追求创新价值、贡献和实绩的方向。【方法】以新型研发机构科技人才评价机制为核心,通过“理论梳理—实证调研—问题剖析—模型构建"的研究路径,探索科学适配的评价方案,系统闸述人才评价机制的改革路径与新型研发机构的核心特征,挖掘传统评价机制的核心痛点。结果评价机制公平性与人才满意度存在正相关且双向因果关系,“破四唯”举措对评价机制公平性及人才满意度具有积极赋能作用,“立新标"则正向影响评价机制积极性与人才满意度。传统评价模式的核心问题集中在3个方面:一是对量化指标的过度依赖,二是对创新能力的忽视,三是自身透明度不足。【结论】提出的“创新能力—成果质量—社会效益—团队协作"四维评价模型在提升评价公平性、激发创新动力、推动成果转化等方面优势明显,但落地面临评价指标量化难、过程透明度不足、利益相关方接受度低等挑战。
摘要:【目的】科学分析并掌握河南省测绘地理信息产业发展现状及问题,为河南省测绘地理信息产业转型升级与高质量发展找准方向。【方法】通过对官方数据,以及河南省主管部门与资质单位的调查问卷结果的统计对比,分析国有企业、事业单位、民营企业在测绘地理信息产业中的发展现状及问题,并提出对策建议。【结果河南省测绘地理信息产业发展受到政策法规、市场环境、技术能力、人才结构、产业布局及资金回笼困难等因素影响,总体呈现"大而不强"的态势,亟须通过系统性改革提升行业核心竞争力。【结论从政策深化、数智升级、人才计划、产业升级和资金管控等5个方面提出测绘地理信息产业转型升级与产业发展的对策建议。
摘要:【目的】基于文化自觉理论,解读非国有博物馆产生、发展的内在动因,探讨激发非国有博物馆高质量发展内生动力的途径。【方法】以文化自觉理论为依据,分析非国有博物馆的发展定位、鲜明特征及存在瓶颈,并提出发展建议。【结果】非国有博物馆发展存在相关政策待配套、认知瓶颈待打破、资金短缺难解决、人才匮乏待突破、模式单一待创新等问题,导致其文化理想与生存现实的矛盾较突出。【结论】提出明晰文化自觉实践方向、破解资金与运营模式困境、补齐专业人才与管理短板、强化文化自觉的专业支撑等建议,助力非国有博物馆向可持续、高质量方向发展。
摘要:【目的]分析河南省纺织服装产业数字化转型现状,识别关键问题,并提出契合河南省纺织服装产业特色且可落地的数字化创新发展路径,为区域制造业数字化升级提供实践参考与决策支撑。【方法】基于文献分析与企业调研,考察河南纺织服装产业数字化的现状与问题,并在此基础上提出建议。【结果河南纺织服装产业数字化转型面临智能化基础设施建设不足、数据互通率低、人才供给相对不足等挑战。【结论】从破解智能化基础设施不足与两极分化问题、解决数据孤岛与AI应用障碍、弥补复合型人才缺口等方面提出具体建议。